Tiny1-C Uncooled LWIR Thermal Imaging Module Core
1. Product Summary
1.1. Product Description
Tiny1-C is a long-wave infrared (8°~14μm, LWIR) thermal imaging module that converts the thermal radiation of objects into images and temperature data. This product is compact, lightweight, energy-efficient, and delivers high-quality images. It is ideal for applications such as industrial temperature measurement, security monitoring, intelligent IoT, and other fields.
1.2. Product Features
- Focus on consumer thermal imaging market.
- 256×192@12μm WLP high-performance vanadium oxide uncooled infrared detector.
- 25 Hz high frame rate.
- Excellent lens optical design with high-resolution detector, adjustable focus position.
- Built-in shutter, compact size 13 mm × 13 mm × 8 mm, easy for integration.
- Support comprehensive array temperature data output.
- Independent research and development of infrared ISP dedicated chips, low power consumption, good performance, and low difficulty for users to develop.
1.3. Applications
- Smart life: Smart home appliances, smart sensors.
- Handheld terminal: Built-in or external plug-in for mobile phone, temperature measuring tool, night vision equipment.
- Security inspection: Industrial monitoring, perimeter scanning, inspection robot, photoelectric pod.
- Fire safety: Fire warning, fire helmet.
- Medical health: Medical heat map, cell temperature measurement.
2. Product Selection
2.1. Part Number Configuration Guide
Table 2-1. Tiny1-C Product Model Number Explanation (EX: Tiny1C-256-02011X-H-WR-XX)
| Tiny1-C | Resolution | Lens | Gain | Temp Measurement Type | Expansion Card |
|---|---|---|---|---|---|
| Tiny1-C | 256×192 / 160×120 |
02011X: 2.0 mm F1.1 03211X: 3.2 mm F1.1 04312X: 4.3 mm F1.2 |
H: High-quality S: High-quality / Wide-range (configurable) |
WR: Industrial temperature measurement | XX: Standard NF: Near Field |
NOTES
- High-quality mode refers to the high-gain mode, where the module response rate is high, and the imaging quality is good, but the temperature measurement range is narrow. Wide-range mode refers to the original low-gain mode, where the module response rate is low, and the imaging quality is decreased, but the temperature measurement range is wide.
- The near-field module focuses on the target at 10 cm, and the optimal working distance is 8 ~ 13 cm.
2.2. Recommended Models
Table 2-2. List of recommended models for Tiny1-C
| NO. | Model Number | Features |
|---|---|---|
| 1 | Tiny1-C256 02011X S WR XX | Large FOV (Field of View) |
| 2 | Tiny1-C256 03211X S WR XX | Standard |
| 3 | Tiny1-C256 04312X S WR XX | Small FOV (Field of View) |
| 4 | Tiny1-C256 03211X S WR NF | Support imaging of close-ups |
NOTE: If necessary, you can contact our company to customize the selection combination that is not recommended in the list.
2.3. Lens Selection
Table 2-3. Tiny1-C Lens Parameters
| Lens Code | Lens Parameters | Focus | Detection Distance | Recognition Distance | Identification Distance | Temperature Correction |
|---|---|---|---|---|---|---|
| 02011X |
Focal length: 2.0 mm F-number: 1.1 FOV: 90° × 65° / 54° × 40° IFOV: 6 mrad |
0.1 m ~ ∞ | 200 m | 50 m | 25 m | 0.25 m ~ 2 m |
| 03211X |
Focal length: 3.2 mm F-number: 1.1 FOV: 56° × 42° / 35° × 27° IFOV: 3.75 mrad |
0.25 m ~ ∞ | 320 m | 80 m | 40 m | 0.25 m ~ 5 m |
| 04312X |
Focal length: 4.3 mm F-number: 1.2 FOV: 40° × 30° / 25° × 19° IFOV: 2.79 mrad |
0.40 m ~ ∞ | 430 m | 108 m | 54 m | 0.25 m ~ 5 m |
| 03211X-NF |
Focal length: 3.2 mm F-number: 1.1 FOV: 56° × 42° / 35° × 27° IFOV: 3.75 mrad |
0.08 m ~ 0.13 m | - | - | - | - |
NOTES
- The FOV value indicates 256×192 / 160×120 modules respectively.
- The above detection distance, recognition distance, and identification distance are estimated according to Johnson’s Criteria, taking pedestrians (1.8 × 0.5 × 0.3 m) as the target. The temperature measuring distance is estimated by a non-point source blackbody with a diameter of 0.15 m.
- The temperature correction here refers to the distance correction tables, which can be provided by our company. Customers can correct the accuracy of temperature measurement targets at a longer distance by other distance correction methods.
3. Specifications
Table 3-1. Tiny1-C System Specifications
System Overview
| Detector | Vanadium Oxide Uncooled Infrared Focal Plane Detector |
| IR wavelength | 8 ~ 14 μm |
| Resolution | 256×192 / 160×120 |
| Pixel pitch | 12 μm |
| Noise Equivalent Temperature Difference (NETD) | < 50 mK @ 25 °C, F#1.0, 25 Hz |
| Thermal time constant | < 10 ms |
| Detector framerate | ≤ 25 Hz |
| Non-uniformity correction | Auto shutter correction |
| Image output formats | 10 bit / 14 bit |
| Focus method | Fixed focus |
Thermography
| Temperature measurement range | -15 °C ~ 150 °C (high quality) 50 °C ~ 550 °C (wide range) |
| Temperature measurement accuracy | ± 2 °C or ± 2 % (typ.) |
| Body temperature detection | Supported |
Power
| Video interfaces | 3.3 V, 5 V |
| Control interface | SPI / DVP |
| Typical power consumption | I2C |
| Normal mode | 240 mW (typ.) |
| Peak (shutter power consumption) | 600 mW (typ.) |
Physical Attributes (with lens and flange)
| Core dimensions (w × h × l) | 13.2 mm × 13.2 mm × 8.5 mm (see mechanical drawings) |
Environmental
| Operating temperature range | Imaging: ‑40 °C ~ 80 °C Temperature measurement: ‑10 °C ~ 75 °C |
| Storage temperature range | -45 °C ~ 85 °C |
| Shock | 25 g, 11 ms, half sine wave, 3 axes |
NOTES
- The above parameters are measured under laboratory conditions; the actual specifications and test methods are subject to the test report.
- For applications requiring high-temperature measurement accuracy and image uniformity, the module needs a secondary temperature correction and lid-pattern noise correction after installation. Please refer to the Quick Start Manual for details.
4. Hardware
4.1. Connector Pinout

Figure 4-1. Tiny1-C PIN diagram
| No. | Name | Type | Description |
|---|---|---|---|
| 39, 40 | VDD50 | POWER | Analog Power Supply, 5 V |
| 35, 36, 37, 38 | GND | GND | GND |
| 34 | UART_RX | IN | UART for debug, 3.3 V |
| 33 | UART_TX | OUT | UART for debug, 3.3 V |
| 32 | GPIO3 | I/O | Definable GPIO pin, 3.3 V |
| 31 | GPIO2 | I/O | Definable GPIO pin, 3.3 V |
| 30 | GPIO1 | I/O | Definable GPIO pin, 3.3 V |
| 24–29 | RESERVED | NC | NC, for burning the flash |
| 21–23 | VDD3_3 | POWER | Digital Power Supply, 3.3 V |
| 20 | GND | GND | GND |
| 19 | VDD3_3_FLASH | POWER | FLASH power supply, 3.3 V |
| 15 | RESET_N | IN | Reset signal for module, 3.3 V, leave floating if unused |
| 11 | V1_HSYNC | OUT | DVP HSYNC |
| 10 | V1_VSYNC | OUT | DVP VSYNC |
| 9 | V1_PIXDAT_8 | OUT | DVP DATA0 |
| 8 | V1_PIXCLK | OUT | DVP clock |
| 7–1 | V1_PIXDAT_12 | OUT | DVP DATA4 |
| 7–2 | VOSPI_MISO | OUT | Video Output SPI Signal: MISO |
| 6 | V1_PIXDAT_11 | OUT | DVP DATA3 |
| 5–2 | VOSPI_SCK | IN | Video Output SPI Signal: CLK |
| 3–1 | V1_PIXDAT_14 | OUT | DVP DATA6 |
| 1 | V1_PIXDAT_10 | OUT | DVP DATA2 |
4.2. Power Supply
The detector used in the module is sensitive to power supply noise, especially the noise in the analog part, which can directly affect the imaging video. The table below gives the maximum noise, typical working current, and maximum current that the module can tolerate.
| PIN No. | Status | Min. Voltage | Typ. Voltage | Max. Voltage | Typ. Current | Max. Current | Max. Noise (1 Hz ~ 50 kHz) |
|---|---|---|---|---|---|---|---|
| VDD50 | Normal | 4.5 V | 5 V | 5.5 V | 5.7 mA | 23 mA | 200 μV |
| VDD33 | Normal | 3.15 V | 3.3 V | 3.45 V | 66.7 mA | 130 mA | 50 μV |
| VDD33 | Peak | 3.15 V | 3.3 V | 3.45 V | - | 204 mA | - |
5. Functions
5.1. Software Resources
We provide the following software and software development resources:
- Application software: demonstration software FalconApplication
- Parameter calibration/correction and firmware upgrade tool on Windows: FalconDevelopTool
- Linux/Windows USB/DVP/SPI SDK
- Android USB/SPI SDK
- RTOS DVP/SPI SDK
Developers can contact our technical support personnel to obtain the latest version of software development materials.
NOTE: The module itself has no USB interface. When using the module on Windows or using the USB SDK, please connect the development board with a DVP-to-USB converter.
5.2. Sequencing and Control
The device control interface adopts standard I2C. The maximum clock frequency is 400 kHz, complies with the CCI
protocol in MIPI CSI-2, and the 7-bit I2C address is 0111100b (0x3C).
The default output of the module is in "Image" Mode. Customers can switch to "Image + Temperature" Mode through commands or switch to the "Raw Data" Mode if customized algorithm processing or image recognition is needed. Note that "Imaging + Temperature" output at the same frame rate will double the data stream transmitted.
| Mode | Data Type | Data Format |
|---|---|---|
| Image Mode | YUV422 | 256×192 / 160×120 |
| Raw Data Mode | Y14 / Y10 | 256×192 / 160×120 |
| Temperature Mode | Y14 | 256×192 / 160×120 |
| Image + Temperature Mode | YUV422 + Y14 | 256×384 / 160×240 |
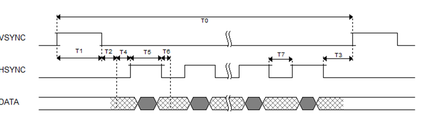
DVP Mode
- Support internal coding synchronization signal and external field synchronization signal.
- 8-bit wide parallel port transmission.
Figure 5-1. DVP external synchronization
VoSPI (Video Out SPI Interface) Mode
The VoSPI (Video out SPI interface) uses Motorola’s Serial Peripheral Interface (SPI) and its 4-line interface protocol. VoSPI defines two commands for reading data:
- Reading a new data frame.
- Continuing reading the current data frame.
The command to read a new data frame is used for SPI master to obtain a new image from RS001. When a frame of image is too long to be transmitted at one time, it will continue reading the current frame for the continuation of the previous "reading a new frame of image".

Figure 5-2. Timing diagram: read a new data frame.

Figure 5-3. Timing diagram: continue reading the current data frame.
5.3. Module Functions
| Category | Available Functions | Notes |
|---|---|---|
| Imaging | Pseudo color | |
| Zoom | ||
| Flip, rotate, mirror | ||
| 3D digital noise reduction | Temporal Noise Reduction (TNR) and Spatial Noise Reduction (SNR) | |
| Automatic image adjustment | Automatically adjust the image stretching ratio according to the scene, so that the brightness and contrast of the picture are within an appropriate range. | |
| Detail enhancement | Make the edges and details of the image clearer. | |
| Lid pattern noise correction | Eliminate the inherent lid effect of optical system. | |
| Dead pixel correction | Eliminate a single blind pixel in the picture. | |
| Temperature Measurement | Obtain FPA temperature of detector | Determine whether the module is thermally stable and provide reference for subsequent temperature correction. |
| Temperature measurement analysis | Point-line-rectangle temperature measurement; Max/Min temperature measurement. | |
| Temperature measurement alarm * | Remind when the set temperature threshold is exceeded. | |
| Ambient variables correction * | Ambient reflection temperature, atmospheric temperature, target emissivity, and atmospheric transmittance (distance correction). | |
| Secondary calibration for temperature measurement | Recalibrate the temperature deviation caused by optical changes or dissipation structure changes. | |
| Shutter | Manual shutter correction |
NOTE: Functions with * are only supported by SDK.
5.3. Module Functions
Table 5-2. Tiny1-C Module Functions
| Category | Available Functions | Notes |
|---|---|---|
| Imaging | Pseudo color | |
| Zoom | ||
| Flip, rotate, mirror | ||
| 3D digital noise reduction | Temporal Noise Reduction (TNR) and Spatial Noise Reduction (SNR). | |
| Automatic image adjustment | Automatically adjusts the image stretching ratio according to the scene, ensuring brightness and contrast are within an appropriate range. | |
| Detail enhancement | Enhances edges and details for clearer images. | |
| Lid pattern noise correction | Eliminates the inherent lid effect of the optical system. | |
| Dead pixel correction | Removes single blind pixels from the image. | |
| Temperature Measurement | Obtain FPA temperature of detector | Determines if the module is thermally stable and provides a reference for subsequent temperature correction. |
| Temperature measurement analysis | Point-line-rectangle temperature measurement; Max/Min temperature measurement. Additional functions can be realized via software after acquiring full-frame data. | |
| Temperature measurement alarm* | Alerts when the set temperature threshold is exceeded. | |
| Ambient variables correction* | Corrects ambient reflection temperature, atmospheric temperature, target emissivity, and atmospheric transmittance (distance correction). | |
| Secondary calibration for temperature measurement | Recalibrates temperature deviations caused by optical or dissipation structure changes. | |
| Shutter | Manual shutter correction | Improves image uniformity and temperature measurement accuracy. |
| Automatic shutter setting | Includes automatic shutter switch, time interval setting, and ambient temperature interval setting. | |
| Other Modules | Get product information | Reads data like module SN, PN, and version number for easier product identification and maintenance. |
| Read/Write customized file | Enables reading/writing of customized addresses and lengths for better software recognition. Only available for specified modules. | |
| Firmware upgrade | Sends notifications for firmware upgrades. Supports upgrades after version 3.1. | |
| Configuration switch | Switches between high-quality and wide-range modes. | |
| Burn protection* |
NOTE: Functions marked with * are only supported by the SDK.
6. Mechanical Drawings
NOTE: The drawing below includes example models of the Tiny1-C module. For other models, please contact our technicians for additional information.

7. Accessories
7.1. USB Kit (not for sale)
During the sample delivery stage of the Tiny1-C module, our company provides a USB kit for demonstration and debugging purposes. Designed by our company, the USB kit includes:
- Cable and development board.
- Converts DVP/SPI data into USB data for Windows plotting.
For later USB hardware development, please contact our company to obtain a USB reference scheme or design a USB conversion module independently.
8. Precautions
To ensure safety and protect the equipment, please follow these guidelines:
- Do not look directly at high-intensity radiation sources such as the sun.
- Ideal operating temperature: -10 °C to 50 °C.
- Avoid touching equipment or cables with wet hands.
- Do not bend or damage the connecting cables.
- Do not clean the equipment with thinner.
- Disconnect the power supply before unplugging cables.
- Prevent static electricity during handling.
- Avoid disassembling the equipment. For faults, contact our company for professional repairs.




There are no reviews for this product.
There are no reviews for this product, be the first to leave your review.
No questions about this product, be the first and ask your question.
